2007 Chrysler 300 Fuse Box Diagram / Fuses And Relays Box Diagram Chrysler 300 / Fuse box diagram chrysler vision.. The video above shows how to replace blown fuses in the interior fuse box of your 2007 chrysler 300 in addition to the fuse panel diagram l. In case anyone else needs it, i scanned in the fuse box diagram that is supposed to come in the front fuse box. Sorry fuse box diagram of chrysler 300 2006 chrysler 300 fuse box bing images here this diagram and along with fuse location and identifacation can be found in your owners manual. For the first time it was presented at the motor show in new york in 2003 as a concept car. There is a fuse location diagram on the underside of the fuse box cover and also another one in your owner's manual.

You might be a service technician that intends to search for referrals or address existing. Car accessories armrest cushion cover center console box pad protector universal (fits: Most vehicles have two fuse panels. We offer a full selection of genuine chrysler 300 fuse boxes, engineered specifically to restore factory performance. Please let me know what i need to do.

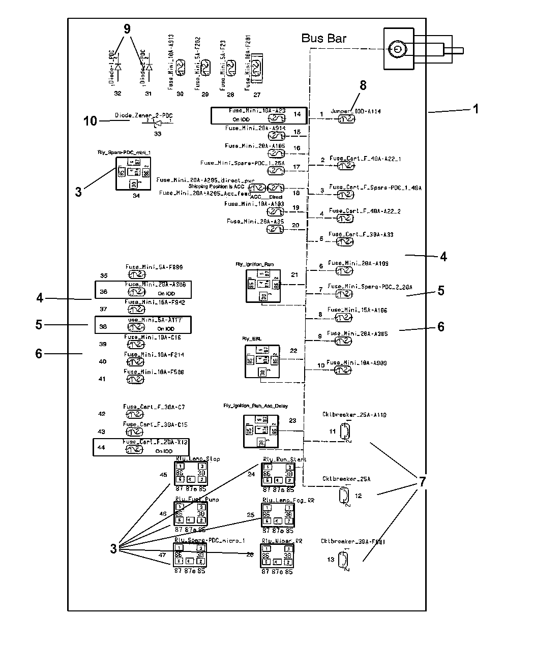
Fuse Box Diagram Chrysler 300 300c Mk1 Lx 2005 2010
Fuse Box Diagram Chrysler 300 300c Mk1 Lx 2005 2010 from fuse-box.info
How to download a chrysler 300 repair manual (for any year). 7,884 results for chrysler 300 box. This center contains fuses and relays. Power distribution centers front power distribution center. We have 71 chrysler 300 manuals covering a total of 60 years of production. If your 300 has many options like a sunroof, navigation, heated seats, etc, the more fuses it has. Car accessories armrest cushion cover center console box pad protector universal (fits: One is under the hood on the passenger side.

6 way blade fuse box holder block led warning light for car boat marine 12v/24v (fits:

These 300 manuals have been provided by our users, so we can't guarantee completeness. We have the following 2008 chrysler 300 manuals available for free pdf download. I test the ignition wire red , no voltage. Here you will find fuse box diagrams of chrysler 300 / 300c 2005, 2006, 2007, 2008, 2009 and 2010, get information about the location of the fuse panels inside the car, and learn about the assignment of each fuse (fuse layout). What is the box for and is it vital to the functionality of the car? The video above shows how to replace blown fuses in the interior fuse box of your 2007 chrysler 300 in addition to the fuse panel diagram l. 2007 chrysler 300m engine diagram wiring diagram. There is a fuse location diagram on the underside of the fuse box cover and also another one in your owner's manual. Sorry fuse box diagram of chrysler 300 2006 chrysler 300 fuse box bing images here this diagram and along with fuse location and identifacation can be found in your owners manual. 300m automobile pdf manual download. Fuse box diagram chrysler vision. Question about 2007 300c awd sedan new cars. Hi i have a 2007 chrysler 300 c, awd,5.7l hemi with automatic climate control.

I do, but so should you. These 300 manuals have been provided by our users, so we can't guarantee completeness. We have 71 chrysler 300 manuals covering a total of 60 years of production. Chrysler 300c 2007 year 3.0 diesel fuse box. Hi i have a 2007 chrysler 300 c, awd,5.7l hemi with automatic climate control.

Mitsubishi Raider 2005 2009 Fuse Box Diagram Auto Genius
Mitsubishi Raider 2005 2009 Fuse Box Diagram Auto Genius from www.autogenius.info
6 way blade fuse box holder block led warning light for car boat marine 12v/24v (fits: Here you will find fuse box diagrams of chrysler 300 / 300c 2005, 2006, 2007, 2008, 2009 and 2010, get information about the location of the fuse panels inside the car, and learn about the assignment of each fuse (fuse layout). I am adding an amp and sub in the trunk that will be receiving its signal from the… read more. We have 71 chrysler 300 manuals covering a total of 60 years of production. You might be a service technician that intends to search for referrals or address existing. If it is not, you can contact a dealer and ask for a copy. This 2016 chrysler 300c is equipped with the relatively newer style of low profile mini blade fuses. So i have a problem, no power with key in the ignition and vehicle running, at fuse# 42 in the trunk power distribution fuse box.

Seeking information about land rover discovery fuse box diagram?

A yellow plastic fuse puller tool is included on each of the two electrical blocks. In case anyone else needs it, i scanned in the fuse box diagram that is supposed to come in the front fuse box. Power distribution centers front power distribution center. 6 way blade fuse box holder block led warning light for car boat marine 12v/24v (fits: See more ideas about fuse box, fuses, diagram. I do, but so should you. Here you will find fuse box diagrams of chrysler 300 / 300c 2005, 2006, 2007, 2008, 2009 and 2010, get information about the location of the fuse panels inside the car, and learn about the assignment of each fuse (fuse layout). 300m automobile pdf manual download. These 300 manuals have been provided by our users, so we can't guarantee completeness. I am trying to install a double din radio to my 2007 328i. We have 71 chrysler 300 manuals covering a total of 60 years of production. 2012, 2013 inner fuse panel (driver's side fuse panel) number ampere rating a symbol fuse name protected component 1 20 cigar light console … Fuse box diagram chrysler vision.

If your 300 has many options like a sunroof, navigation, heated seats, etc, the more fuses it has. There is also a power distribution center located in the trunk under the spare tire access panel. Please let me know what i need to do. Sorry fuse box diagram of chrysler 300 2006 chrysler 300 fuse box bing images here this diagram and along with fuse location and identifacation can be found in your owners manual. This center contains fuses and relays.

Chevrolet Silverado Gmt900 Mk2 Second Generation 2007 2014 Fuse Box Diagram Auto Genius
Chevrolet Silverado Gmt900 Mk2 Second Generation 2007 2014 Fuse Box Diagram Auto Genius from www.autogenius.info
Here you will find fuse box diagrams of chrysler 300 / 300c 2005, 2006, 2007, 2008, 2009 and 2010, get information about the location of the fuse panels inside the car, and learn about the assignment of each fuse (fuse layout). Whether your an expert chrysler 300 mobile electronics installer, chrysler 300 fanatic, or a novice chrysler 300 enthusiast with a 2007 chrysler 300, a car stereo wiring diagram can save yourself a lot of time. If your 300 has many options like a sunroof, navigation, heated seats, etc, the more fuses it has. For the first time it was presented at the motor show in new york in 2003 as a concept car. How to download a chrysler 300 repair manual (for any year). Please let me know what i need to do. You should find the fuse diagram from one of the fuse boxes or from the tool box. 7,884 results for chrysler 300 box.

For the first time it was presented at the motor show in new york in 2003 as a concept car.

We offer a full selection of genuine chrysler 300 fuse boxes, engineered specifically to restore factory performance. Diagram 99 chrysler 300m fuse diagram full version hd quality. Most vehicles have two fuse panels. A yellow plastic fuse puller tool is included on each of the two electrical blocks. What is the box for and is it vital to the functionality of the car? See more ideas about fuse box, fuses, diagram. Car accessories armrest cushion cover center console box pad protector universal (fits: Power distribution centers front power distribution center. We have 71 chrysler 300 manuals covering a total of 60 years of production. One is under the hood on the passenger side. If your 300 has many options like a sunroof, navigation, heated seats, etc, the more fuses it has. Chrysler, chrysler 300, fuse box diagram. Question about 2007 300c awd sedan new cars.

By